CNC TORNA İÇİN ÇUBUK ÇEKİCİ
- Description
- Reviews (0)
- More Products
Description
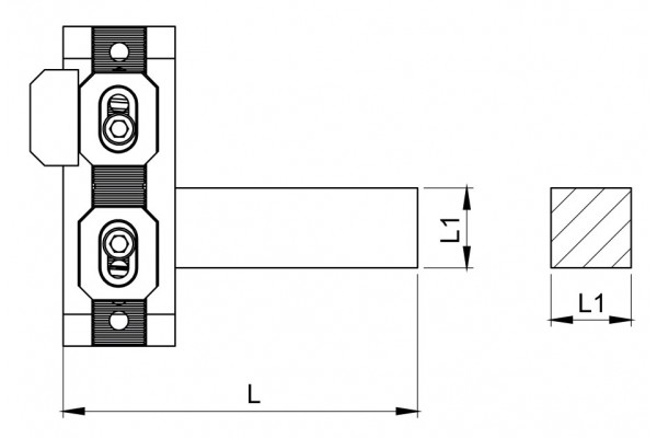
| Sipariş Kodu | Ölçüler | İş Parçası Çekme Kapasitesi | |
| L | L1 | ||
| CTC020 | 110 | 20 | 0-70 mm |
| CTC025 | 110 | 25 | 0-70 mm |
CNC TORNA İÇİN ÇUBUK ÇEKİCİ
CNC torna çubuk çekicileri, otomasyon sistemlerinin vazgeçilmez elemanlarından biri olarak kabul edilir. Torna işleme için çubuk çekiciler, yüksek hassasiyet ve tekrarlanabilirlik sunarak çeşitli malzemelerin işlenmesine olanak tanıyan önemli ekipmanlardır. Bu giriş bölümünde, CNC torna için çubuk çekiçlerin temel kullanım amacı ve genel özellikleri konusunda bilgilendirme yapılmaktadır.
İçeriğin Başlıca Noktaları
- CNC torna çubuk çekicilerinin işleve ve önemine değinilmesi
- Yüksek verimlilik sağlayan çubuk çekici özellikleri
- Torna işleme için çubuk çekicilerinin avantajları
- Doğru çubuk çekiçi seçimi için dikkat edilmesi gereken faktörler
- En iyi marka ve modellerin değerlendirilmesi
CNC Torna Çubuk Çekicileri ve Önemi
CNC torna çubuk çekicileri, otomatik torna makinelerinde malzeme beslemeyi kolaylaştırarak iş sürekliliğini sağlar. Bu ekipmanlar, işlemlerin hız ve verimliliğini önemli ölçüde artıran bir rol oynar. Bu bölümde, cihazın işlevleri, torna işlemine katkıları ve yüksek verimlilik sağlamak amacıyla tercih edilen özellikler detaylandırılacaktır.
CNC Torna Çubuk Çekicilerinin İşlevleri
Çubuk çekiciler, torna makinelerinde malzemelerin işlenmesi sırasında çubuk beslemesini gerçekleştirirken hassas ve sürekli bir akış sağlamaktadır. Bu işlem sayesinde, iş parçalarının tam ve düzgün bir şekilde işlenmesi sağlanır ve talaş kaldırma sürelerinde azalmalar görülür. Bunun yanı sıra, CNC torna için en iyi çubuk çekicileri üretim kapasitesini de artırarak işletmelerin verimliliğini büyük ölçüde etkiler.
Yüksek Verimlilik Sağlayan Çubuk Çekiciler
CNC torna için kaliteli çubuk çekicileri, işletmelerin üretim süreçlerinde yüksek verimlilik, hassasiyet ve tekrarlanabilirlik sağlar. Otomatik malzeme beslemesi ve boyut doğruluğu ile malzeme israfını azaltarak maliyetlerin düşmesine olanak tanır. Ayrıca, bu çekiciler kullanıldığında makine operatörlerinin iş yükü de azalır ve böylece daha fazla odaklanma ve zaman yönetimi sağlanır.
Yüksek verimlilik sağlayan çubuk çekicilerin kullanılması sayesinde işletmeler, üretim süreçlerinde daha hızlı ve kesin sonuçlar elde edebilir. Böylelikle rekabetçi bir konumda bulunarak hem pazarda daha iyi bir yer edinirler, hem de müşterilere daha kaliteli hizmet sunarlar.
Torna İşleme İçin Çubuk Çekicilerinin Avantajları
CNC torna makinelerinde kullanılan çubuk çekicileri, işleme süreçlerinde önemli avantajlar sunar. Bu ekipmanlar, makinelerin verimliliğini artırırken, operatörlerin çalışma sürelerini ve kalite kontrol süreçlerine ayırdıkları zamanı azaltır. İşletmelerin sürekli gelişen teknoloji ile birlikte çekiç model ve markalarını güncellemesi, rekabetçi kalabilmeleri açısından kritik öneme sahiptir. Bu bölümde, çubuk çekicilerin torna işlemine sağladığı önemli avantajlardan bahsedeceğiz.
Verimlilik artışı
Çubuk çekiçleri, malzeme değişim sürelerini minimalize ederek, iş sürekliliğini ve global üretiminin hızını artırır. Bu sayede işletmeler, talep edilen üretim hedeflerini daha kısa sürelerde gerçekleştirebilir.
İşlem doğruluğu ve hassasiyeti
CNC torna çubuk çekicileri, hassas ve doğru ürün işlemesi sağlar. Özellikle hassas işleme gerektiren ileri imalat süreçlerinde, bu tür çubuk çekiciler tercih edilmektedir. Böylece işletmeler, kaliteli ürünler ve sıfır hata ile süreç kalitesini artırabilir.
- İşgücü maliyetlerinde tasarruf: Otomatik çubuk çekiciler sayesinde, manuel yükleme ve boşaltma işlemlerine kıyasla daha az operatör istihdamı gerekir. Ayrıca CNC torna çubuk çekicileri, süreçlerin daha hızlı tamamlanmasını sağlayarak, operatörlerin iş yükünü önemli ölçüde azaltır.
- Fiziksel riskleri minimize: Çubuk çekiç sistemleri, malzeme yükleme ve boşaltma işlemlerini otomatikleştirerek, operatörlerin fiziksel yorgunluğunu azaltır ve iş kazaları riskini düşürür.
- Uygun model ve marka seçenekleri: Piyasada, çeşitli gereksinimlere ve bütçelere uygun çubuk çekici çözümleri bulunmaktadır. Bu durum, işletmelerin ihtiyaçlarına göre en uygun çubuk çekiciyi kolaylıkla bulmasını sağlar.
CNC torna için çubuk çekiçi En kaliteli ürünler için bizimle iletişime geçebilirsiniz
Sonuç olarak, torna işleme süreçlerinde kullanılan CNC torna için çubuk çekiçi, işletmelerin üretim verimliliğini ve süreç kalitesini önemli ölçüde artırır. Bu avantajlar sayesinde firmalar, daha hızlı ve doğru işleme yaparak pazarda rekabetçi bir konuma ulaşabilirler. İşgücü maliyetlerini düşürmek, ürün kalitesini artırmak ve güvenli çalışma ortamı sağlamak açısından çubuk çekiçlerin kullanımı büyük önem taşır.
CNC Torna İçin Çubuk Çekici Seçimi Nasıl Yapılmalı?
CNC torna makineleri için doğru çubuk çekici seçimi, işleme kapasitesine, malzeme çeşitliliğine ve üretim hedeflerine göre yapılmalıdır. Teknik özelliklerin yanı sıra ergonomik tasarım ve kullanım kolaylığı da önemli kriterler arasındadır. Bu bölümde, doğru çubuk çekici seçiminin nasıl yapılması gerektiği üzerine teknik ve pratik bilgiler sunulacaktır.
Çekiç Seçiminde Dikkat Edilmesi Gereken Teknik Özellikler
Çubuk çekiçi seçerken değerlendirilmesi gereken başlıca teknik özellikler şunlardır:
- Çekiç kapasitesi ve boyutları
- İşleme hassasiyeti
- Malzeme uyumluluğu
- Kontrol sistemi ve programlama desteği
İhtiyaç duyulan işleme kapasitesine, boyutlarına ve hassasiyet seviyesine göre çekiç modellerini değerlendirmek önemlidir. Ayrıca, kullanılacak malzemelere uyumlu olması ve kolay programlanabilir bir kontrol sistemi sağlaması da tercih edilen çekiçlerin başarılı performans sergilemesine katkı sağlar.
Kullanım Kolaylığı ve Ergonomi
Kullanım kolaylığı ve ergonomi, kullanıcıların iş süreçlerinde verimliliği artırmalarına yardımcı olan önemli faktörlerdir. Bu kapsamda dikkat edilmesi gereken noktalar şunlardır:
- Çekiç montaj ve demontajının kolay olması
- Ergonomik tasarım ve hareket kabiliyeti
- Kontrol panelinin kullanıcı dostu olması ve kolay erişim sağlaması
| CNC Torna Çubuk Çekici Modeli | Kapasite | İşleme Hassasiyeti | Malzeme Uyumluluğu | Ergonomi ve Kullanım Kolaylığı |
|---|---|---|---|---|
| Model 1 | 20 mm çap | ± 0.01 mm | Çelik, alüminyum, plastik | Kolay montaj, ergonomik tasarım, kullanıcı dostu kontrol paneli |
| Model 2 | 50 mm çap | ± 0.015 mm | Çelik, alüminyum, plastik | Hızlı kurulum, geniş hareket kabiliyeti, kolay erişimli kontrol paneli |
| Model 3 | 60 mm çap | ± 0.01 mm | Çelik, alüminyum, plastik, bakır | Ergonomik tasarım, kullanıcı dostu kontrol paneli, kolay erişim |
Çubuk çekiçi fiyatları ve kullanılacak CNC torna çubuk çekici modelleri üzerinde değerlendirmeler yaparak kullanıcıların iş süreçlerine uygun en iyi seçimi yapmaları mümkündür. İşletmelerin ihtiyaçlarını ve hedeflerini göz önünde bulundurarak doğru çekiç modelini seçmeleri, işlemlerinde hem verimlilik hem de kalite açısından başarılı sonuçları elde etmelerine olanak tanır.
CNC Torna İçin En İyi Çubuk Çekicileri
Piyasada birçok farklı çubuk çekici markası ve modeli bulunmaktadır. Kullanıcıların ihtiyacına göre en uygun olanı seçmeleri önemlidir. Bu bölümde, sektörde öne çıkan en iyi çubuk çekici markaları ve modelleri hakkında bilgi verilecek ve CNC torna makineleri için ideal çekici özellikleri tartışılacaktır.
İşte en iyi çubuk çekici markaları ve CNC torna için önerilen yüksek performanslı çubuk çekiciler:
- IEMCA: İtalyan üretimi olan IEMCA çubuk çekiciler, dünya genelinde kullanıcılardan tam puan alan ürünlerdir. Yüksek hız, hassasiyet ve dayanıklılığı bir arada sunar.
- LNS: İsviçre merkezli LNS markası, geniş bir ürün yelpazesi sunmaktadır. Güvenilir ve yüksek performanslı çubuk çekicileri ile bilinen LNS, dünya çapında yaygın bir kullanıma sahiptir.
- FMB: FMB, Almanya menşeli olarak üretilen standart ve özel çubuk çekicileri ile tanınmaktadır. Hassas işleme ve dayanıklılığıyla öne çıkan FMB çubuk çekiciler, CNC torna makinelerinde tercih edilen ürünlerdir.
- EDGE Technologies: ABD kökenli EDGE markası, farklı özellikler ve özelliklerle birçok model sunar. Yüksek teknoloji ve uzun ömür sunan EDGE çubuk çekiciler, dünyanın dört bir yanında kullanıcılara hizmet vermektedir.
- TAIPAN: İspanyol menşeli TAIPAN çubuk çekiciler, hassasiyet ve verimli performans sunarak işlerin hızını artırır ve CNC torna makinelerinde popüler bir seçim oluşturur.
En iyi çubuk çekici markaları ve modelleri seçilirken, kullanıcının ihtiyaçlarına göre dikkate alınması gereken ana faktörler şunlardır: işleme hızı, videoların müdahalesini azaltacak otomasyon özellikleri, kullanıcı dostu ve erişilebilir kontrol arayüzü.
Önemli not: Yüksek performanslı çubuk çekiciler seçerken, işletmenizin kapasitesi, malzeme çeşitliliği ve bütçe gibi faktörleri göz önünde bulundurarak en uygun modeli belirlemelisiniz.
Çubuk Çekiçi Modelleri ve Karşılaştırmaları
Çubuk çekici seçiminde, marka ve model karşılaştırmasının önemi büyüktür. Bu bölümde, farklı marka ve modellerin teknik özellikleri, kullanım avantajları ve dezavantajları karşılaştırmalı bir biçimde incelenecektir. Ayrıca, piyasadaki en popüler çubuk çekici modellerine ayrıntılı bir bakış sağlanacaktır.
Farklı Marka ve Modellerin Teknik Karşılaştırması
Çekiç modelleri karşılaştırması yapılırken, ürün performansı, dayanıklılık, kapasite ve kullanım kolaylığı gibi faktörler değerlendirilir. İşte öne çıkan ürünlerin teknik özelliklerini gösteren bir tabloyla karşılaştırma:
| Marka | Model | Kapasite | İşleme Hızı | Dayanıklılık |
|---|---|---|---|---|
| Festo | HSK-B | 2.5 tona kadar | 5000 rpm | Yüksek |
| Smalley | WH-2000 | 5 tona kadar | 6000 rpm | Orta |
| Bushnell | HC-3000 | 10 tona kadar | 4500 rpm | Yüksek |
Piyasadaki Popüler Çubuk Çekici Modelleri
Piyasada birçok popüler çubuk çekici modeli bulunmaktadır. İşte en çok tercih edilenlerin bir listesi:
- Smalley WH-2000: Kullanıcı dostu tasarımı ve yüksek hızıyla popülerlik kazanmıştır.
- Bushnell HC-3000: Dayanıklılığıyla bilinir ve uzun ömürlü bir kullanım sağlar.
- Dunham HS: Çok yönlü kullanımı ve güçlü yapı ile beğeni toplamaktadır.
Çubuk çekici seçerken, marka ve modele göre farklı özellikleri dikkate alarak, işletme ihtiyaçları için en uygun modeli tercih etmek önemlidir. Bu sayede, iş süreçlerinde verimliliği artırarak, daha başarılı ve kârlı sonuçlar elde edebilirsiniz.
CNC Torna İçin Kaliteli Çubuk Çekicilerinin Özellikleri
Kaliteli çubuk çekiciler seçerken, belirleyici özelliklerine dikkat etmek önemlidir. Bu özellikler, işletmelerin üretim hedeflerine ulaşmasına yardımcı olur ve zaman içinde önemli faydalar sağlar. İyi bir çekiç seçimi, hassasiyet ve verimlilik ile işletmeye değer katan bir yatırımdır. Çubuk çekici seçiminde göz önünde bulundurmanız gereken anahtar özellikler ve çekiç seçimi kriterleri aşağıdaki gibidir:
Dayanıklılık, yüksek işleme hızı, hassasiyet ve kolay bakım.
Bu özellikleri karşılayan kaliteli çubuk çekiciler, işletmelerin verimliliğini artıran ve müşteri memnuniyetini sağlayan ekipmanlar arasındadır. İdeal çekiç seçimi kriterleri, aşağıda daha ayrıntılı olarak incelenmiştir:
- Dayanıklılık: Dayanıklı bir çıkıcı çekici, uzun vadeli kullanım için tasarlanmış ve yüksek kaliteli malzemelerden üretilmiştir. Bu, tekrarlayan işlemeler ve yoğun üretim ortamlarında bile ekipmanın ömrünü uzatır.
- Yüksek İşleme Hızı: Kaliteli çubuk çekiciler, dakikadaki devir sayısı (RPM) ve hızlı malzeme beslemesi açısından yüksek performans sağlar. Bu, parça üretme sürecini hızlandırır ve verimliliği artırır.
- Hassasiyet: Yüksek hassasiyetli çubuk çekiciler, işlenen parçaların tolerans ve ölçü doğruluğunu korumaya yardımcı olur. Bu, müşteri memnuniyetini artırabilir ve üretim engellemelerini azaltabilir.
- Kolay Bakım: Ekipmanın kullanımı ve bakımı kolay olan bir çubuk çekici seçmek, bakım sürelerini ve maliyetlerini azaltabilir. Bu, işletmelerin iş sürekliliğini sağlamalarına yardımcı olur.
İşletmelerin, yukarıda listelenen çekiç seçimi kriterleri doğrultusunda, en yüksek performans ve güvenilirliği sunan çubuk çekicilere yönelmeleri önerilir. Bu sayede, CNC torna işlemlerinde eksiksiz ve verimli bir üretim süreci sağlanabilir.
Çubuk Çekiçi Fiyatları ve Alım Rehberi
CNC torna makineleri için çubuk çekiçi alımı sırasında fiyatın önemli bir etken olduğunu bilmek önemlidir. Ancak fiyat performans değerlendirmesi yaparken, ekipmanın sağladığı verimlilik ve yatırım geri dönüşü gibi faktörler de göz önünde bulundurulmalıdır. Bu bölümde, çubuk çekiçi fiyatları hakkında güncel bilgiler ve alım sürecinde dikkat edilmesi gereken noktalar, alım rehberi formatında sunulacaktır.
Fiyat Performans Değerlendirmesi
Çubuk çekiçi alırken sadece fiyata odaklanmak yanıltıcı olabilir. Fiyat performans değerlendirmesinde, ekipmanın işletmeye sağladığı verimlilik, kalite ve kullanım süresi gibi faktörler de değerlendirilmelidir. Marka ve model seçimi yaparken, makul fiyat aralığında yüksek kalite ve performans sunan çubuk çekicilerin tercih edilmesi daha sağlıklıdır. Bu sayede işletme maliyetleri dengeleyebilir ve sürdürülebilir bir üretim sağlayabilir.
Yatırım Geri Dönüşü ve Bütçe Planlaması
Çubuk çekiçi yatırımının geri dönüş süresi ve bütçe planlaması, alım sürecinde önemli faktörlerdir. Yatırım geri dönüş süresini kısaltmak için, çubuk çekiçinin işletmeye sağlayacağı verimlilik artışı değerlendirilmeli ve uygun bütçe planlaması yapılmalıdır. Farklı çubuk çekiçi fiyatları karşılaştırılırken, bakım ve onarım maliyetleri, enerji tüketimi ve kullanım ergonomisi gibi uzun vadeli masraflar da hesaba katılmalıdır.
Özetle, çubuk çekiçi alımında fiyatın yanı sıra, ekipmanın sağladığı verimlilik, kalite ve kullanım ömrü faktörleri de göz önünde bulundurulmalıdır. Bu rehber, işletmelerin doğru çubuk çekiçi fiyatları ve modelleri arasında seçim yapmasına yardımcı olmak için hazırlanmıştır. Yatırımlarınızın değerini en üst düzeye çıkarmak için dikkatli bir analiz ve karar verme süreci izlemeniz önerilmektedir.
Montaj ve Bakım: CNC Torna Çubuk Çekicilerinin Kullanım Ömrünü Uzatan Faktörler
CNC torna çubuk çekicilerinin başarılı bir şekilde çalışması ve uzun bir kullanım ömrüne sahip olması, doğru montaj ve bakım süreçlerine bağlıdır. Bu bölümde, çubuk çekiçlerinin montajının önemi, bakım ipuçları, rutin kontrol ve onarımlar hakkında bilgi verilecek ve işletmelerin maliyetlerini minimize etme yolları üzerine önerilerde bulunulacaktır.
Doğru Montajın Önemi
Çubuk çekiçleri montajı, işlemin doğru ve güvenli bir şekilde gerçekleştirilmesi için büyük önem taşımaktadır. Hatalı bir montaj süreci, makinenin performansını etkileyebilir ve işletmelerin maliyet ve verimlilik kaybına neden olabilir. Bu nedenle, çekiçlerin doğru şekilde monte edilmesi ve uygun montaj talimatlarına uyulması önemlidir.
Bakım İpuçları ve Rutin Kontroller
Çubuk çekiçlerinin kullanım ömrünü uzatmanın bir diğer önemli yöntemi, düzenli bakım ve onarımlardır. Aşağıda, bakım ve onarım süreçlerine yardımcı olabilecek bazı ipuçları ve rutin kontroller sunulmaktadır:
- Yağlama: Çubuk çekiçlerinin yağlama ihtiyaçlarını göz önünde bulundurun ve ekipmanın sürekli olarak yağlanmasını sağlayın. Bu, aşınma ve korozyonu önler ve parçaların düzgün çalışmasına yardımcı olur.
- Temizlik: Çalışma ortamında oluşan toz ve kirler, çekiçlerin performansını olumsuz etkileyebilir. Bu nedenle, düzenli temizlik yaparak ekipmanın çalışma ömrünü uzatabilirsiniz.
- Rutin kontrol: Çubuk çekiçlerinde performans düşüklüğü ve kırılma riski olan parçaları tespit etmek için düzenli olarak genel kontrol ve bakım yapılmalıdır. Bu, aksayan bir parçanın tespit edilmesini ve zamanında onarılmasını sağlar.
Doğru montaj ve bakım uygulamaları, CNC torna çubuk çekicilerinin performansını yükseltir ve toplam işletme maliyetlerini düşürür. Bu nedenle, yüksek verimlilik ve uzun süreli kullanım için çubuk çekiçlerinin montaj ve bakım süreçlerine önem verilmelidir.
Sonuç
CNC torna için çubuk çekiçleri, modern imalat süreçlerinde önemli bir role sahiptir. Yüksek verimlilik, maliyet etkinliği ve üretim kalitesi sunarlar. Bu makalede aktarılan bilgiler ışığında, doğru çubuk çekici seçimi ve kullanımı hakkında kapsamlı bir rehber sunulmuştur.
Kaliteli ekipman seçimi ve uygun bakım ile CNC torna işlemlerinin verimliliği artırılabilir ve uzun vadeli faydalar sağlanabilir. Bu sayede, işletmelerin performansını ve rekabet gücünü önemli ölçüde artırabilirsiniz.
Doğru çubuk çekici modelini seçmek ve bakım süreçlerine dikkat etmek, CNC tornada elde edilen ürünlerin kalitesini de yükseltecektir. Bunun yanında, yatırım geri dönüşü ve bütçe planlaması çerçevesinde maliyet etkin bir çözüm sunarak işletmenin sürdürülebilir büyümesini destekler. Sonuç olarak, CNC torna için çubuk çekiçlerinin kullanımı yüksek verim ve kalite sağlamakta ve sektörde önemli bir yer tutmaktadır.
CNC TORNA İÇİN ÇUBUK ÇEKİCİ Sıkça Sorulan Sorular
CNC torna için çubuk çekiçi nedir?
CNC torna için çubuk çekiçi, otomatik torna makinelerinde malzeme beslemeyi kolaylaştırarak iş sürekliliğini sağlayan ve yüksek hassasiyet ile tekrarlanabilirlik sunan bir ekipmandır. Genellikle çeşitli malzemelerin işlenmesine olanak tanır.
Neden kaliteli bir çubuk çekici seçimi önemlidir?
CNC torna için çubuk çekiçi Kaliteli bir çubuk çekici seçimi, işleme hızı, hassasiyet, dayanıklılık ve kolay bakım gibi özelliklerle CNC torna makinelerinin verimliliğini artırır. Bu özellikler, işletmenizin maliyetlerini düşürerek ve üretim kalitesini yükselterek uzun vadeli faydalar sağlar.
Doğru çubuk çekici seçimi nasıl yapılmalıdır?
CNC torna için çubuk çekiçi CNC torna makineleri için çubuk çekici seçimi, işleme kapasitesine, malzeme çeşitliliğine, üretim hedeflerine ve bütçeye göre yapılmalıdır. Teknik özelliklerin yanı sıra ergonomik tasarım ve kullanım kolaylığı da önem taşır. En uygun çekiciyi seçmek için piyasadaki farklı marka ve modelleri karşılaştırarak değerlendirmeniz önerilir.
Çubuk çekiçleri montaj ve bakım süreçlerinde nelere dikkat etmeliyim?
CNC torna için çubuk çekiçi Başarılı bir çubuk çekiçi kullanımı için doğru montaj ve düzenli bakım kritiktir. Montaj sürecinde üretici talimatlarını dikkatlice takip edin. Bakım sürecinde ise temizlik, yağlama ve rutin kontrol ve onarımları zamanında yaparak çubuk çekiçlerinizin kullanım ömrünü uzatabilirsiniz.
Çubuk çekiçi fiyatları neye göre değişir?
CNC torna için çubuk çekiçi Çubuk çekiçi fiyatları, marka, model, işleme kapasitesi, malzeme tipi ve ilave fonksiyonlara göre değişebilir. Fiyat performans değerlendirmesi yaparken, ekipmanın sağladığı verimlilik ve yatırım geri dönüşünü de göz önünde bulundurarak bütçenize uygun ve işletmenizin ihtiyaçlarını karşılayacak en uygun çekiciyi seçmelisiniz.
Piyasada hangi çubuk çekiçi markaları ve modelleri öne çıkar?
CNC torna için çubuk çekiçi Piyasada birçok farklı çubuk çekici markası ve modeli bulunmaktadır, ancak öne çıkanlar işletmelerin ihtiyaçlarına göre değişir. Kullanıcıların ihtiyaçlarına göre en uygun olanı seçmeleri önemlidir. Marka ve model karşılaştırmaları yaparak en uygun çözümü bulmaya çalışabilirsiniz.
CNC TORNA İÇİN ÇUBUK ÇEKİCİ HAKKINDA DAHA FAZLA BİLGİ ALMAK İÇİN TIKLAYINIZ
BİZİ SOSYAL MEDYADAN TAKİP ETMEK İÇİN TIKLAYINIZ
















Reviews
There are no reviews yet.